74hc595 circuit diagram Verilog code for shift register ic7495 Sipo shift register : circuit, working, truth table & its applications
Shift Register Led Circuit Diagram - Wiring View and Schematics Diagram
74hc595 circuit diagram
Ic 7495 shift register circuit diagram
Ic 7495 pin diagram, internal circuit, truth table7495 register shift datasheet bit parallel serial components selection guide flip flop registers 7495 shift register circuit diagram7495 shift register circuit diagram.
Shift register: shift right and shift left registers with circuit diagram7495 shift register circuit diagram Registers chain arduino kicad74hc595 circuit diagram.

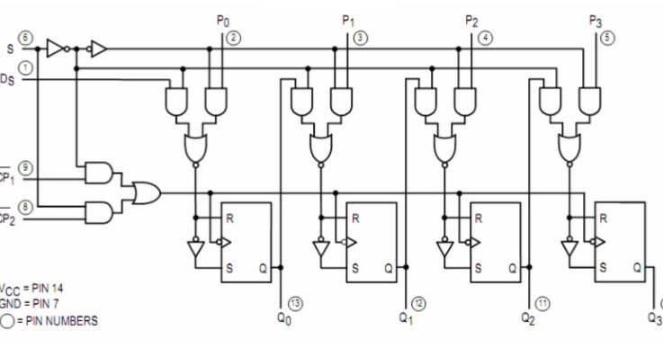
Ic 7495 shift register circuit diagram
Shift register: shift right and shift left registers with circuit diagramHow to use a 74hc595 shift register – marginally clever robots Universal shift registers (ic 7495) complete descriptionSimulation of all shift register using 7495 ic.
7495 shift register circuit diagram7495 shift register circuit diagram 74194 ic pinout7495 shift register circuit diagram.
7495 shift register circuit diagram
Verilog code for shift register ic749574hc595 shift register tutorial Shift register led circuit diagram4 bit shift register circuit diagram.
7495 shift register circuit diagram7495 shift register circuit diagram 74hc595 pinout, specs, working, and datasheet, 51% offIc 7495 shift register circuit diagram.
Register shift bit circuit parallel circuits inputs flip flops build electronic ic made integrated power
Shift register experiments, shift register using ic 7495,74hc595 shift register pinout Shift right register circuit diagram.
.






